我司业务范围:快速开业注册/财税代理/专项审计及清缴报告/政府预决算/劳务派遣/资质证书申请认定/商标专利注册/高企、科技项目代理申报/股改上市融资
更多的科技政策信息,还可通过以下途径了解和咨询:
合作热线:
1.嘉应·广州办事处:广州市天河区燕岭路120号金燕大厦905房
189 2506 1970(王先生)
2.嘉应.语晨知识产权 广州办事处:广州市天河区粤垦路628号9楼18665633222(贺先生)
3.嘉应·佛山顺德嘉旺:佛山市顺德区大良南国中路29号顺兴花苑2层2号写字楼
136 0032 1188(段先生)
4.嘉旺·睿旺公司:佛山市顺德区大良南国中路29号顺兴花苑2层3号写字楼
136 0032 1188(段先生)
5.嘉应·梅州百业旺办事处:梅州市梅区县剑英大道山水城锦绣国际家具博览中心B10栋4楼430
151 1937 7484(饶小姐)
6.嘉应·清远办事处:清远市新城东二号区十三号商业大厦603号
151 1372 2640(肖小姐)
7.嘉应·中山办事处:中山市石岐区龙井南路3号置贤大厦2416房
135 5610 0770(钟小姐)
8.嘉应·深圳办事处:深圳市南山区深南大道12069号海岸时代公寓东座2319
159 1977 0284(赵先生)
9.嘉应·梅州企盈办事处:兴宁市兴城宝华园C栋第17卡门店
189 3345 8933(陈小姐)
————————————————————————————————————————————————
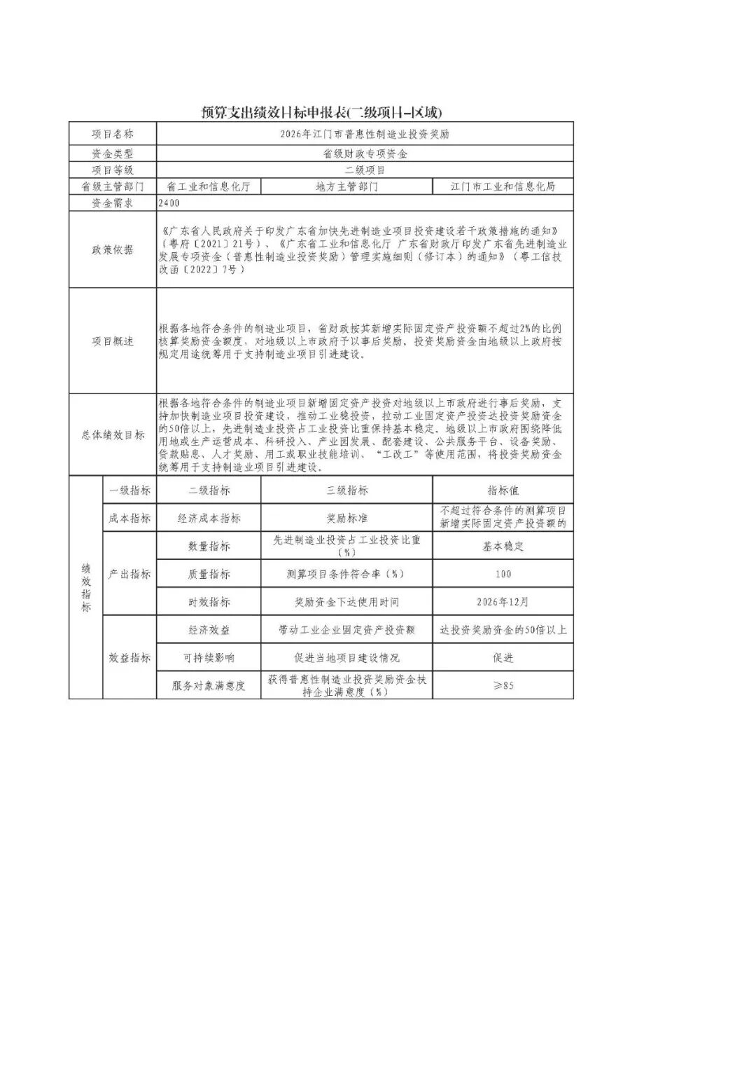
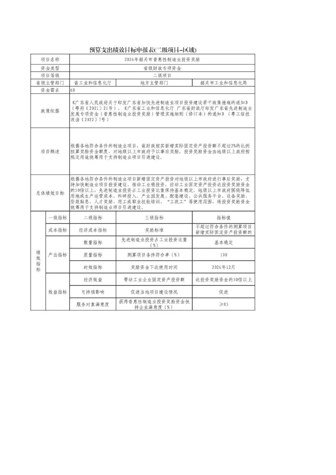
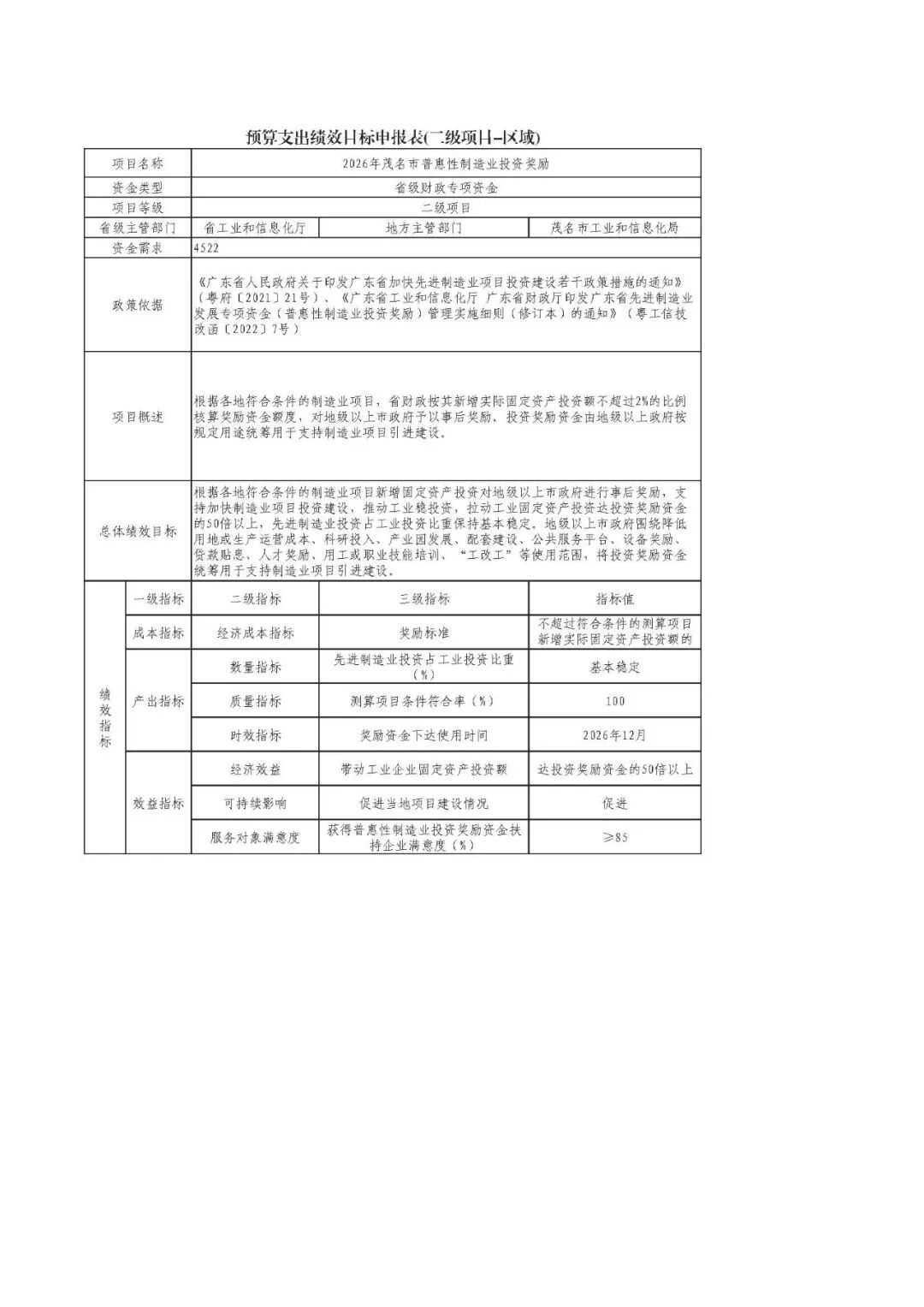
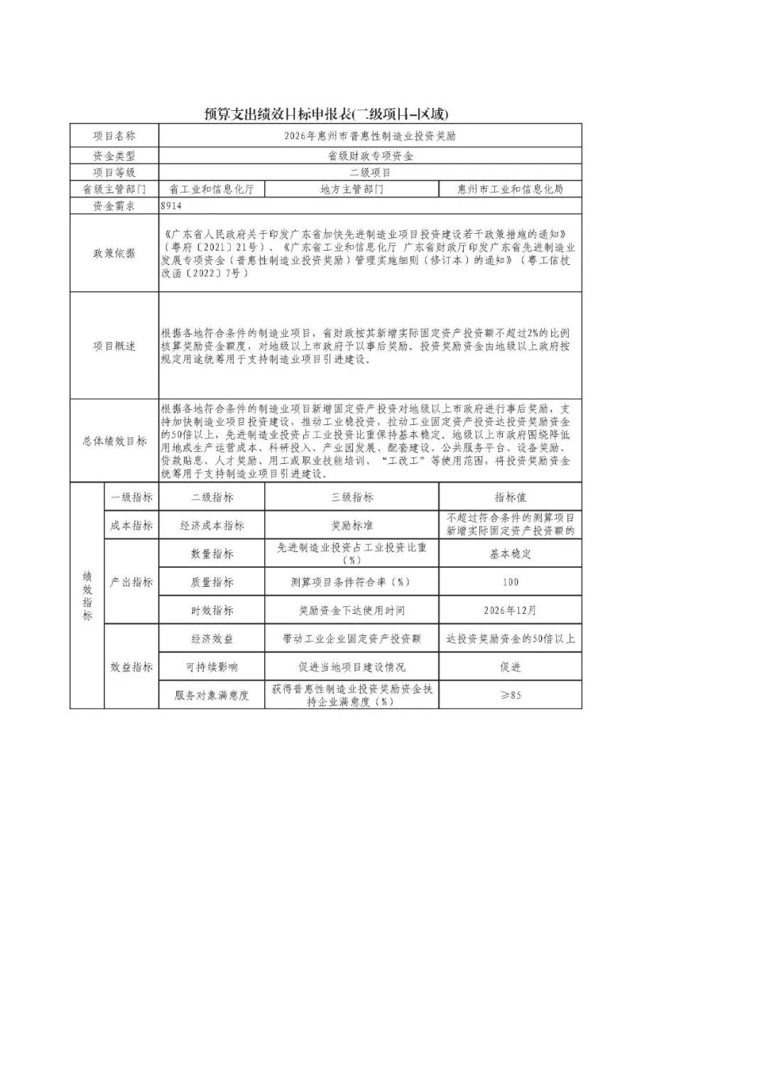
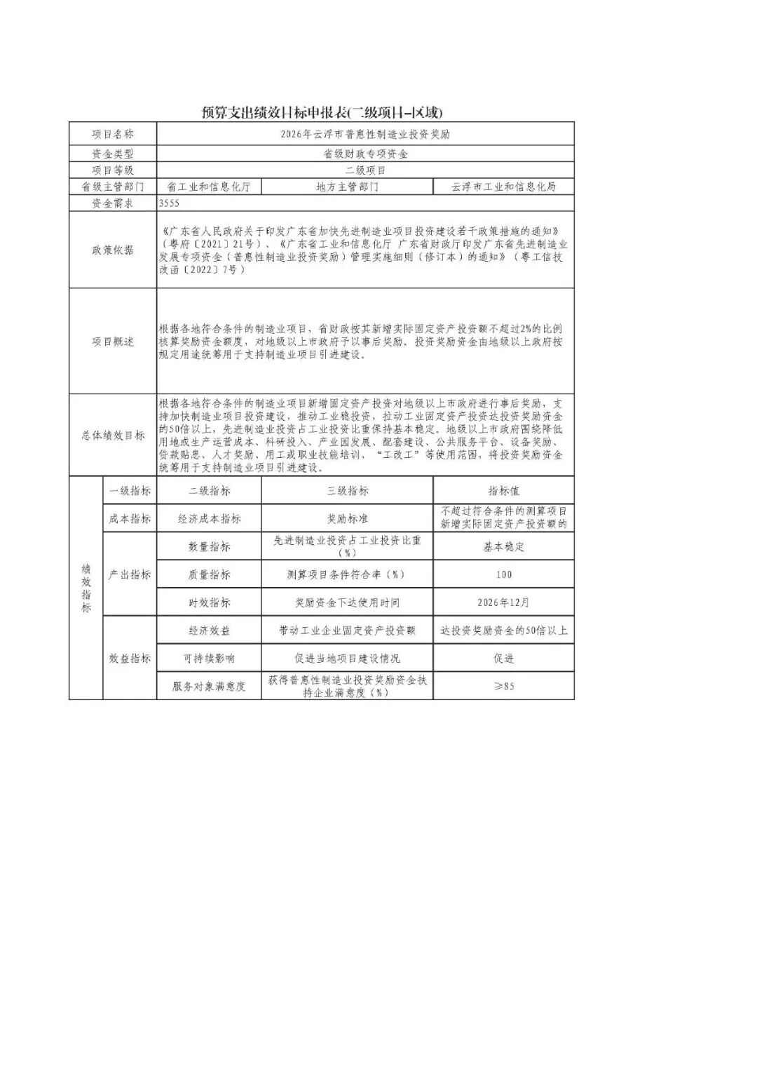
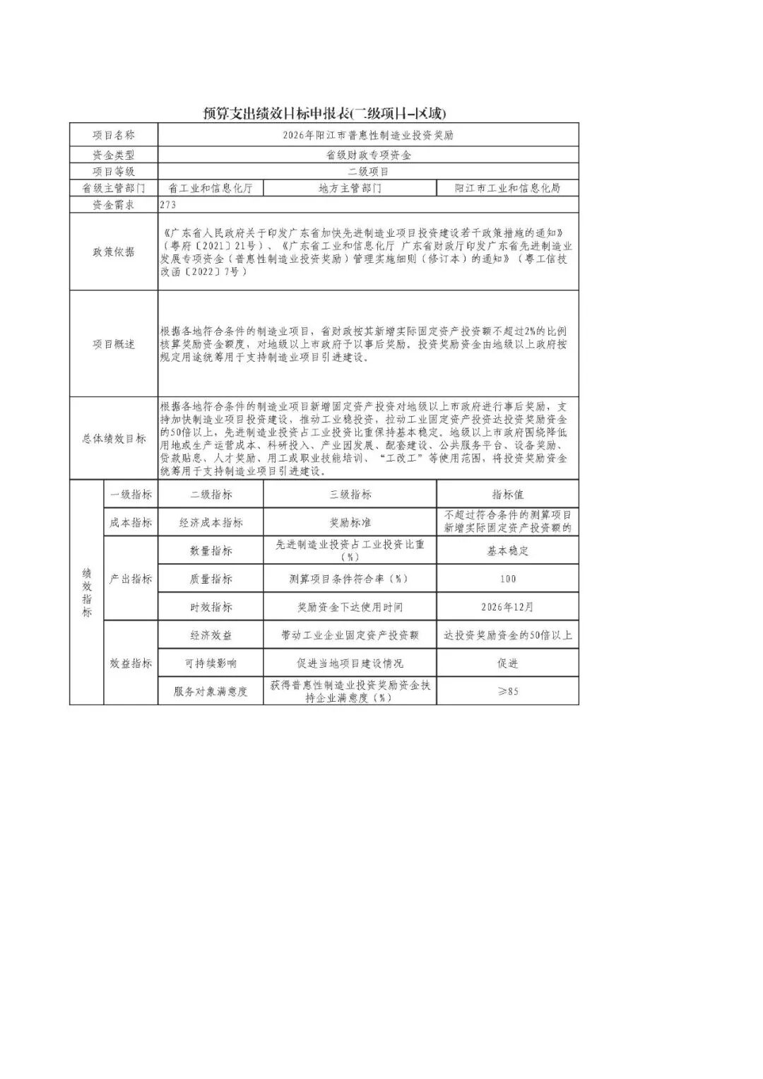
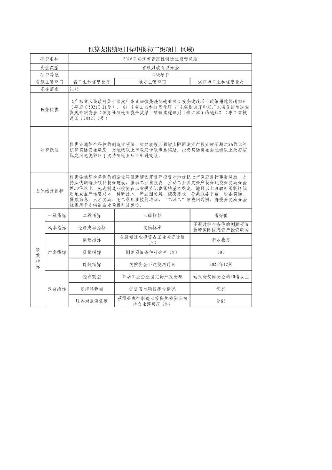
根据《广东省人民政府关于印发广东省加快先进制造业项目投资建设若干政策措施的通知》(粤府〔2021〕21号)、《广东省人民政府关于印发〈广东省省级财政专项资金管理办法(2025年修订)〉的通知》(粤府〔2025〕56号)和《广东省先进制造业发展专项资金(普惠性制造业投资奖励)管理实施细则(修订本)》(粤工信技改函〔2022〕7号)等有关规定,现将2026年广东省制造业当家重点任务保障专项普惠性制造业投资奖励资金项目计划予以公示,公示期自2025年12月31日至2026年1月6日,共7天。对公示内容如有异议,请在公示期内向省工业和信息化厅(技术改造与投资处)反映。以个人名义反映情况的,请提供真实姓名、联系方式和反映事项证明材料等;以单位名义反映情况的,请提供真实单位名称(加盖公章)、联系人、联系方式和反映事项证明材料等,联系人电话:020-83135835,邮箱:jsc@gdei.gov.cn,地址:广州市越秀区吉祥路100号。
附件:1.2026年广东省制造业当家重点任务保障专项普惠性制造业投资奖励资金分配额度表
2.2026年广东省制造业当家重点任务保障专项普惠性制造业投资奖励资金绩效目标表
3.2026年广东省制造业当家重点任务保障专项普惠性制造业投资奖励资金区域任务清单
广东省工业和信息化厅
2025年12月30日
查看完整附件请点击https://gdii.gd.gov.cn/zwgk/tzgg1011/content/post_4837642.html?sessionid=

18925061970



